COURSE Studio 8

INSTRUCTOR Paul Adamson

SITE LOCATION Oakland, California.

SOFTWARE Revit / Enscape / Photoshop / Illustrator

YEAR Spring | 2024

11/02

Ripple Housing

Where living creates lasting impact.

STATEMENT

Ripple Housing re-imagines mixed use housing in Oakland as a place of resilience and dignity for vulnerable populations such as teachers, social workers, small families, and low income residents. The project responds to the pressures of a high cost urban context by balancing density with openness, creating courtyards and green spaces that serve as sanctuaries for daily life. Public amenities such as cafeteria, library, and community rooms promote gathering and growth, while sustainable strategies like natural ventilation, shading, and energy capture support long term resilience. More than housing, Ripple Housing is designed as a launchpad for opportunity, where professional excellence, personal well being, and family stability ripple outward to strengthen the larger community.

SITE ANALYSIS


FORM DEVELOPMENT

Basic Form

Step 3

Opening space for a pathway at ground level.

Final Form

Step 1

Removing top layers to allow sunlight to reach the north side of the building.

Step 2

Space for the courtyard and playground to be at the center of the building.


USER GROUP

Social Worker

Teacher

Small Family

Low Income

LISTS OF PROGRAMS

PUBLIC SPACE

Cafeteria
Cafe / Library
Play Ground
Court Yard

COMMUNITY SPACE

Lobby
Mail Room
Underground Parking
Bike Storage
Trash Enclosure
Dog Washing Room
Open Roof Patio
Bee Keeping Space
Garden

GREEN SPACE

Green Roof Patio
Garden
Corridor Planting
Court Yard

SUSTAINABLE STRATEGIES

Air Quality / Natural Ventilation
Eco Window System
Green Roof
Rain Water Capture
Led / Lighting


SOLAR EXPOSURE DIAGRAM

Winter Solstice, December

Equinox Solstice, March / September

Summer Solstice, Jun


01 /

02 /

03 /

SITE PLAN

01 / Site Plan
02 / Pathway Plan
03 / Perspective View Plan

01 /

02 /

03 /

04 /

UNIT PLANS

01 / Single Bedroom Unit - 550 Sq. Ft.
02 / 2 Bedrooms & 2 Restroom - 966 Sq. Ft.
03 / Town House - 1,771 Sq. Ft.
04 / ADA Town House - 1,771 Sq. Ft.

01 /

02 /

03 /

04 /

05 /

06 /

07 /

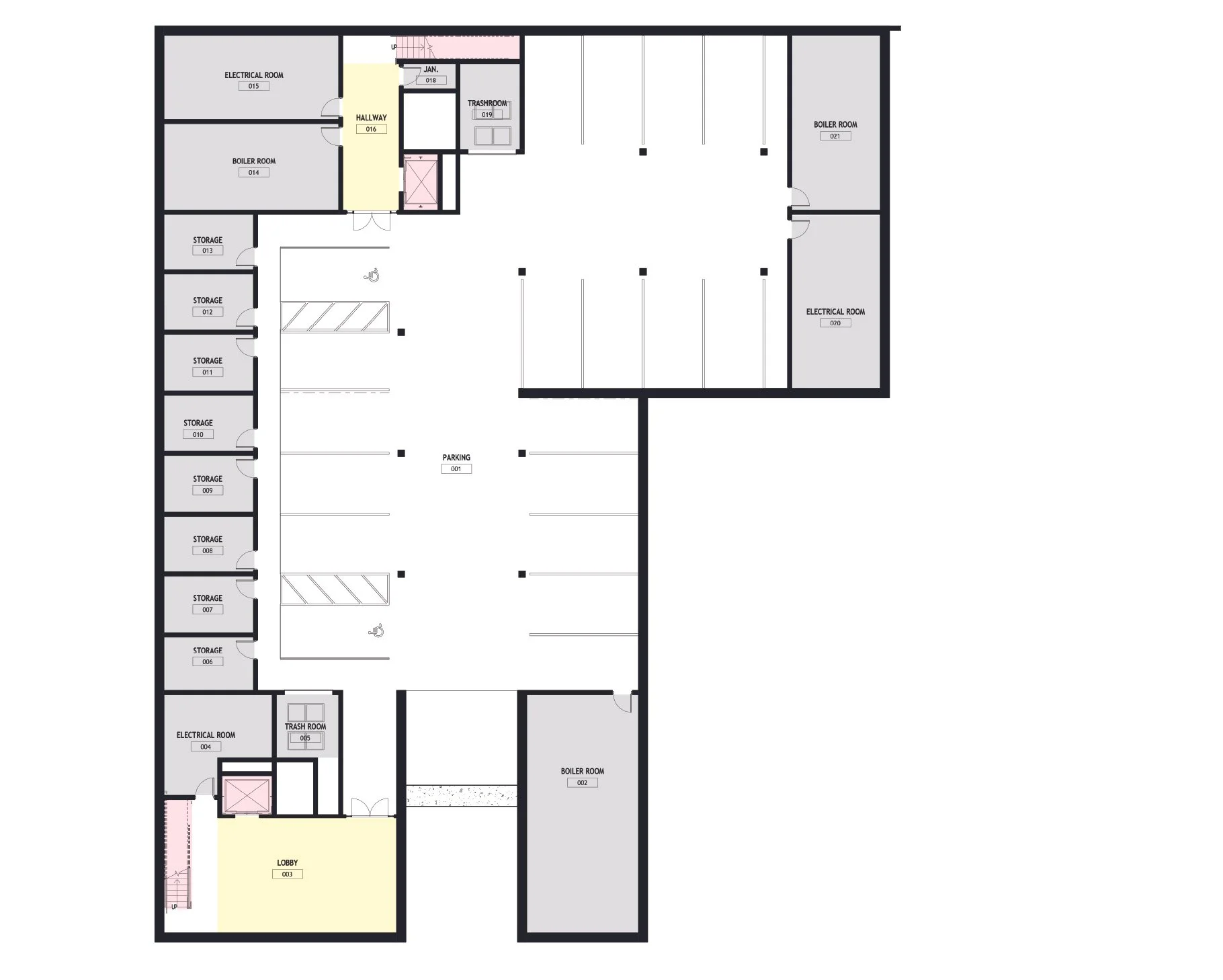
FLOOR PLANS

01 / Underground Floor Plan
02 / First Floor Plan
03 / Second Floor Plan
04 / Third Floor Plan
05 / Fourth Floor Plan
06 / Eighth Floor Plan
07 / Ninth Floor Plan


01 /

02 /

03 /

04 /

05 /

06 /

EXTERIOR ELEVATIONS

01 / South Elevation (19th Street)
02 / North Elevation
03 / West Elevation
04 / East Elevation
05 / Town House East Elevation
06 / Town House West Elevation


01 /

02 /

03 /

04 /

05 /

BUILDING SECTIONS

01 / North-South Section
02 / Town House North-South Section
03 / Wall Section Model
04 / Deck Close-up
05 / Cladding With Flashing


01 /

02 /

03 /

WALL SECTION

01 / Enlarged Balcony Plan
02 / Enlarged Exterior Elevation
03 / Wall Section


01 /

02 /

03 /

04 /

WALL DEATILS

01 / Green Roof Assembly
02 / PMR Roofing Assembly
03 / Connection to Exterior Wall and Floor
04 / Balcony End Details


01 /

02 /

STRUCTURAL FRAME DESIGN

01 / 3D Structural Framing
02 / Timber Assembly


01 /

02 /

03 /

04 /

MECHANICAL PLANS

01 / Single Bedroom Unit Mechanical Plan
02 / Two Bedroom Unit Mechanical Plan
03 / Typical Town House Mechanical Plan
04 / ADA Town House Mechanical Plan


01 /

02 /

03 /

04 /

ELECTRICAL LIGHTING PLANS

01 / Single Bedroom Unit RCP
02 / Two Bedroom Unit RCP
03 / Typical Town House Unit RCP
04 / ADA Town House Unit RCP


01 /

02 /

03 /

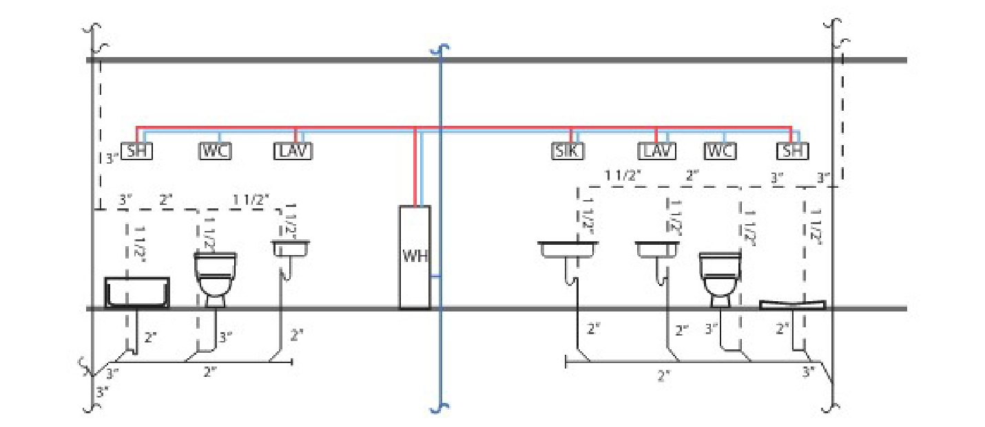
PLUMBING DIAGRAM

01 / Plumbing and and Rain Harvesting Diagram
02 / Single Unit Plumbing Diagram
03 / Two Bedroom Unit Plumbing Diagram


01 /

02 /

03 /

04 /

05 /

06 /

07 /

08 /

RENDERINGS

01 / Roof Top Courtyard
02 / Roof Garden and Bee Farm
03 / Town House Unit View
04 / View at Balcony

05 / Southeast Bird Eyes View
06 / Open Hall View
07 / Balcony View
08 / Events at Open Hall